Cổng mở cánh tay đòn tự động LUX – LUX BT sản xuất tại Ý
Được sản xuất tại nhà máy ở nước Ý – cổng mở cánh tay đòn tự động LUX – LUX BT sử dụng động cơ thủy lức với độ bền gấp 3 lần động cơ điện
Cổng mở cánh tay đòn tự động LUX – LUX BT là dòng cổng tự động cao cấp đến từ Ý, sử dụng động cơ thủy lực bền bỉ gấp nhiều lần động cơ điện thông thường. Sản phẩm phù hợp lắp đặt cho nhà riêng, biệt thự, cổng hộ gia đình, cũng như cổng khu công nghiệp, nhà máy, xí nghiệp và khu thương mại có tần suất sử dụng cao.
Với thiết kế nhỏ gọn, sang trọng và khả năng vận hành êm ái, LUX – LUX BT là lựa chọn lý tưởng cho các công trình cần độ bền cao, an toàn tuyệt đối và tính thẩm mỹ vượt trội.
Ưu điểm nổi bật của cổng mở cánh tay đòn LUX – LUX BT
Cổng mở tự động LUX – LUX BT sử dụng động cơ thủy lực cho phép vận hành ổn định ngay cả với những cánh cổng có trọng lượng lớn. Thiết bị có thể lắp đặt cho nhiều loại cổng mở tự động tại biệt thự, khu dân cư, cổng doanh nghiệp và bãi xe.
Vật liệu chế tạo từ hợp kim nhôm cao cấp giúp hệ thống chống ăn mòn, chịu được mưa nắng, môi trường bụi bẩn và nhiệt độ khắc nghiệt. Nhờ đó, tuổi thọ thiết bị kéo dài nhiều năm mà không phát sinh chi phí bảo trì lớn.
Hệ thống điều khiển mô-men xoắn thông minh giúp cánh cổng đóng mở chính xác, tự động dừng hoặc đảo chiều khi gặp vật cản, đảm bảo an toàn cho người và phương tiện.
Các phiên bản cổng mở cánh LUX – LUX BT
Cổng LUX: sử dụng động cơ thủy lực cho cánh cổng rộng đến 2m, tải trọng 300kg. Thời gian mở khoảng 17 giây, góc mở tối đa 123 độ, tích hợp khóa điện từ.
Cổng LUX R: phiên bản cải tiến cho cánh cổng rộng đến 2,2m và trọng lượng 300kg, vận hành ổn định trong môi trường sử dụng liên tục.
Cổng LUX L: động cơ thủy lực cho cánh cổng rộng 4m, tải trọng 500kg, thời gian mở khoảng 33 giây, góc mở 123 độ, phù hợp biệt thự và nhà xưởng.
Cổng LUX G: phiên bản mạnh mẽ nhất cho cánh cổng dài đến 5m và nặng 800kg, thời gian mở 48 giây, góc mở tối đa 130 độ, khóa từ an toàn.
Phiên bản 230V cho phép thiết lập mô-men xoắn riêng biệt cho từng cánh cổng, phù hợp nhiều kiểu cổng trượt không ray và cổng tự động tay đòn.
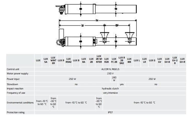
Thông số kỹ thuật cơ bản

Tính tương thích: Alcor SD
Bảng điều khiển cho 1 hoặc 2 cánh
Nguồn điện vào: 230V
Phiên bản 24V sử dụng màn hình điều khiển thông minh, cho phép cài đặt nhanh các thông số vận hành, tín hiệu mã hóa an toàn tuyệt đối trong quá trình đóng mở. Công nghệ này giúp cổng hoạt động ổn định ngay cả khi sử dụng liên tục trong bãi đỗ xe hoặc khu dân cư đông người.

Thương hiệu cổng tự động BFT – Italy
Cổng tự động BFT là thương hiệu hàng đầu Châu Âu trong lĩnh vực tự động hóa, chuyên sản xuất các dòng cổng xếp tự động, cổng tự động âm sàn, cổng lùa tự động, cổng nhôm đúc tự động và nhiều giải pháp kiểm soát ra vào khác.
BFT sở hữu nhà máy tại Schio (Ý) cùng đội ngũ gần 1000 nhân sự, hệ thống phân phối toàn cầu với hàng trăm đại lý và dự án hoàn thành tại nhiều quốc gia.
Công nghệ sản xuất cổng tự động BFT
Công nghệ 24V: sử dụng điện áp thấp, an toàn tuyệt đối cho người dùng, đặc biệt phù hợp lắp đặt ngoài trời hoặc tại cổng khu dân cư và cổng nhà máy.
Hệ thống tự động nhận diện vật cản, đảo chiều hoặc dừng ngay khi phát hiện nguy hiểm, giúp bảo vệ an toàn cho người và phương tiện.
Công nghệ D-Track: công nghệ độc quyền của BFT cho phép hệ thống tự động ghi nhớ lực đẩy, trọng lượng cánh cổng, độ ma sát và điều kiện môi trường trong những lần vận hành đầu tiên. Nhờ đó, lực đóng mở luôn được tính toán chính xác và cập nhật liên tục trong suốt quá trình sử dụng.
Nhờ sự kết hợp giữa động cơ thủy lực, công nghệ 24V và D-Track, LUX – LUX BT mang đến giải pháp cửa tự động và cổng tự động an toàn, bền bỉ, phù hợp cho cả dân dụng và công nghiệp.
Cổng mở cánh tay đòn tự động LUX – LUX BT sản xuất tại Ý - Bảo Phúc Automatic - địa chỉ uy tín hàng đầu thi công lắp đặt cổng âm sàn các loại 2 cánh, 4 cánh, 6 cánh, cổng trượt tự động hay cổng lùa tự động đóng mở theo dạng trượt ngang trên thanh ray, cổng mở tự động bao gồm cổng âm sàn và cổng mở cánh tay đòn tại TP.HCM và trên toàn quốc.
CÔNG TY TNHH THIẾT BỊ TỰ ĐỘNG BẢO PHÚC
- Địa chỉ: 67–69 Đường Vành Đai Trong, Phường An Lạc, Hồ Chí Minh.
- Địa chỉ cũ: Số 411 Trần Văn Giàu, phường Bình Trị Đông B, Quận Bình Tân, Tp. HCM
- Điện thoại: 028 62 900 939
- Hotline: 0983552770
- E-mail: info@baophuc.vn
- Website: https://baophuc.vn/
- Bản đồ: Google Maps
- MST: 0309987208 - ketoan@baophuc.vn - Mã định danh: 062082001223
Tư vấn lắp đặt
cửa - cổng - barie tự động
Thiết bị nhập khẩu từ Italy, Nhật Bản, Hàn Quốc, Đài Loan, Trung Quốc. Bảo Phúc là nhà phân phối của NABCO, SWICO, KTH, BFT, FACE, ARTEK tại Việt Nam. Đầy đủ CO, CQ
- Khách hàng sẽ được hưởng giá gốc từ nhà máy...
- Báo giá trong 30 phút — có nhiều video mẫu để tham khảo