Cửa trượt tự động kth h-5
Bao Phuc
1, 8, 2023
Thời gian đọc: 7 phút, 12 giây
Cửa trượt tự động kth h-5 Công ty TNHH Thiết Bị Tự Động Bảo Phúc - Bảo Phúc Automatic - địa chỉ uy tín hàng đầu về cổng tự động, cửa tự động tại TP.HCM và trên toàn quốc.
Xem thêm
Cổng xếp tự động, cổng xếp điện Inox
Cửa trượt tự động KTH H5 được sản xuất bởi công ty King Ta Han Technology Co., Ltd đây là nhà sản xuất cửa tự động có 25 năm hoạt động....
Giới thiệu cửa trượt tự động KTH H5
Cửa trượt tự động KTH-H5 được sản xuất bởi công ty King Ta Han Technology Co., Ltd đây là nhà sản xuất cửa tự động có 25 năm hoạt động. Là công ty chuyên nghiên cứu thiết kế, chế tạo các hệ thống cửa tự động. Những loại vật liệu dùng để chế tạo ra các sản phẩm cửa tự động KTH đều là những loại vật liệu cao cấp để tạo ra những thành phẩm chất lượng với tính ưu việt và độ bền cao. Các sản phẩm của KTH luôn đạt tiêu chuẩn ISO 9001 là tiêu chuẩn cao nhất hiện hành được cấp bởi hợp chuẩn Châu Âu (CE).Ưu điểm cửa trượt tự động KTH H-5
Những dòng sản phẩm cửa tự động của KTH được trang bị bộ cảm biến rất nhạy giúp nhanh chóng phát hiện có người và vật đang đến để đóng-mở cửa an toàn cho mọi người từ trẻ em, người già, người khuyết tật,…. Tiết kiệm thời gian đóng mở cửa sẽ là tiết kiệm năng lượng kéo theo tiết kiệm chi phí tiền điện, ngoại trừ việc vận hành nhanh chóng và chỉ vận hành khi. Cửa trượt theo phương ngang trên thanh ray nên tiết kiệm được rất nhiều không gian khi đóng-mở cửa. Thêm một ưu điểm lớn nữa nằm ở vẻ đẹp tinh tế, sang trọng gọn nhẹ phù hợp với nhiều không gian như công ty, cửa hàng, chung cư, viện bảo tàng, nhà hàng, resort,…. Kèm theo việc tích hợp được nhiều loại thiết bị thông minh khác nhau đem đến nhiều sự tiện dụng cho người dùng.Nguyên lý hoạt động cửa trượt tự động KTH H-5
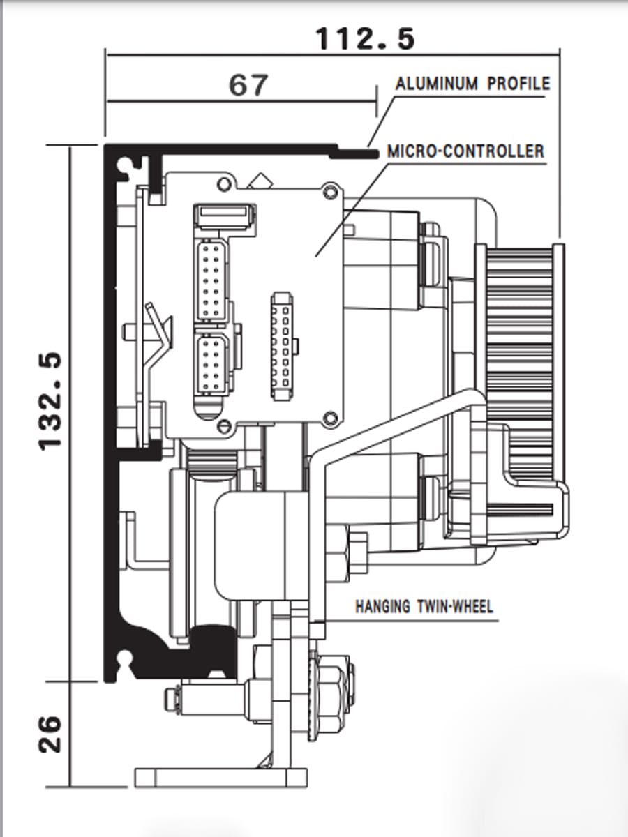
Cửa trượt KTH H-5 sẽ được lắp đặt bên trong thanh ray gắn trên cánh cửa hoặc trên trần nhà. Sau khi các bộ điều khiển của cửa được kết nối với nguồn điện cửa sẽ hoạt động đóng-mở tự động. Các bộ phận điều khiển sẽ ghi nhớ quãng đường trượt và vị trí điểm dừng của cửa. Sau đó truyền thông tin cài đặt lại hệ thống giúp cửa đóng-mở cửa an toàn, chính xác vào những lần hoạt động sau đó. Cửa sau khi nhận tín hiệu từ bộ điều khiển trung tâm cánh cửa sẽ trượt mở hoặc trượt đóng theo tốc độ chậm dần đều ở điểm đầu và điểm cuối quãng đường trượt sau đó đóng-mở cửa một cách nhẹ nhàng.Thông số kỹ thuật cửa trượt tự động KTH H-5
| Cửa trượt tự động KTH H-5 | ||
| Model | Một cánh | Hai cánh |
| Trọng lượng | 250kg x 1 cánh | 200kg x 2 cánh |
| Chiều rộng | 500mm – 6000 mm | 500mm – 6000 mm |
| Tốc độ bắt đầu | 600mm/giây | 550mm/giây |
| Cách cài đặt | Cài đặt bề mặt | |
| Motor | DC 24V 120W động cơ DC không chổi than | |
| Điều khiển | Vi điều khiển tiêu chuẩn | |
| Sự tiêu thụ năng lượng | 100W | |
| Điện áp | AC 100 ~ 240V | |
| Nhiệt độ môi trường hoạt động | -20 độ C ~ +50 độ C | |
| Độ ồn | Không quá 60 db | |
| Thời gian hoạt động | ~20 giây (có thể điều chỉnh) | |
| Bộ phận truyền quan trọng | Vành đai giá đỡ S8M | |
| Chế độ mở | Mở toàn bộ hoặc mở 1 nửa (có thể điều khiển) | |
| Lực kéo | 3kg | |
| Hiệu suất năng lượng PFC | 0.95 (đầy tải điện xoay chiều 100W) | |
Vị trí lắp đặt bánh xe và đai giá đỡ cửa KTH H-5
Vị trí của bánh xe treo
Trong phòng, khoảng cách giữa “bánh xe treo bên phải” và “mép cửa” phải lớn hơn 150mm. Lắp đặt đai giá
Bảng vẽ cửa trượt tự động KTH H-5
| STT | Tên bộ phận | Số lượng |
| 1 | Nhôm định hình "tiêu chuẩn" | 1 |
| 2 | Vỏ Nhôm "Chuẩn" | 1 |
| 3 | Nắp cuối bên trái | 1 |
| 4 | Nắp cuối bên phải | 1 |
| 5 | Motor | 1 |
| 6 | Bộ điều khiển | 1 |
| 7 | Con lăn đai | 1 |
| 8 | Bánh xe treo | 4 |
| 9 | Nẹp chủ động | 1 |
| 10 | Nẹp thụ động | 1 |
| 11 | Đai giá đỡ | 1 |
| 12 | Sửa đai | 2 |
| 13 | Nút chặn | 2 |
| 14 | Công tắc điện | 1 |
Một vài thiết bị kèm thêm điển hình của cửa trượt tự động KTH H-5
A-11-Tia sáng an toàn
Cảm biến tia hồng ngoại an toàn cho cửa tự động- Phương pháp cố định đẩy vào.
- Miễn dịch với ánh sáng mặt trời.
- BẬT tối / BẬT sáng có thể thay đổi.
- Thời gian trễ tắt: 0,5 giây.
.jpg)
TH-135 Công tắc chức năng
.jpg)
1. Nó phù hợp với bất kỳ loại cửa nào của KTH.
2. Dễ dàng cài đặt và điều chỉnh. SÁU CHỨC NĂNG HOẠT ĐỘNG CỬA
1. Cửa mở
2. Một chiều
3. Mở tự động
4. Ra 1 chiều
5. Đóng cửa
6. Mở hoàn toàn hoặc mở 1 nửa
Cảm biến hồng ngoại 3H-CH01
Tính năng Cảm biến nhỏ trên thị trường kết hợp kích hoạt cửa với sự an toàn cho người đi bộ trong một sản phẩm. Màn đôi tia hồng ngoại an toàn bảo vệ người đi bộ khỏi các chuyển động cửa tự động nguy hiểm. Khu vực phát hiện có thể điều chỉnh chính xác làm giảm kích hoạt cửa giả trong môi trường đô thị bận rộn. Phần mềm thông minh cùng với khả năng tự giám sát cảm biến bên trong đảm bảo hoạt động an toàn và đáng tin cậy trong mọi môi trường lắp đặt.
Thông số kỹ thuật
| Model | 3H-CH01 |
| Phương pháp phát hiện | Phản xạ hồng ngoại chủ động |
| Chiều cao lắp đặt | Tối đa 3m |
| Kích thước cảm biến | 59mm(H) x 210mm(W) x 28.5mm(D) |
| Điều chỉnh độ nhạy | Có sẵn |
| Nguồn cấp | AC/DC 12~100V ± 10% 50/60Hz |
| Đầu ra | * Tiếp điểm rơle 1c * DC50V 0.1A (tải điện trở) Không an toàn |
| Thời gian giữ đầu ra | 0.5s |
| Phạm vi nhiệt độ | -20°C to + 60°C |
| Trọng lượng | 0.18 kg |
| Màu sắc | Đen hoặc bạc |
Xem thêm
Cổng tự động BFT chính hãng
CÔNG TY TNHH THIẾT BỊ TỰ ĐỘNG BẢO PHÚC
- Địa chỉ: 411 Đ. Trần Văn Giàu, Bình Trị Đông B, Bình Tân, Thành phố Hồ Chí Minh.
- ĐCM: 411 Trần Văn Giàu, Phường An Lạc, Thành Phố Hồ Chí Minh, Việt Nam.
- Điện thoại: 028 62 900 939
- Hotline: 0983552770
- E-mail: info@baophuc.vn
- Website: https://baophuc.vn/
- Bản đồ: Google Maps
- MST: 0309987208 - ketoan@baophuc.vn - Mã định danh: 062082001223
LIÊN QUAN
cua tu dong hcm - cong tu dong hcm: Nhận Báo giá Thi công lắp đặt trọn gói các loại cửa tự động, cổng tự động trên địa bàn Tp HCM và các tỉnh Trung Nam Bộ. Thiết bị được nhập khẩu trực tiếp, chính hãng từ Nhật, Hàn, Đài Loan, Ý, Đức, Malaysia.
Đánh giá
Xếp hạng: 5.00 - 1 phiếu bầu
Có thể bạn đã nhấp link này từ link không phải link đầu tiên được giới thiệu bởi Google. Hoặc thử Refresh (F5) trang này nếu bạn đã thực hiện đúng.
© Bao Phuc Automatic Doors & Gates - MST: 0309987208